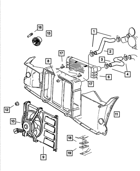
Radiator and Related Parts for 2002 Dodge Viper
No.
Part # / Description / Price
Price
N/A
MSRP $37.85
$27.24
1
Hose Clamp
Mopar
Mopar Description: 55x15. Radiator outlet attach. Radiator Hose, Inlet. Rad to Rad Hose Inlet. Lower radiator hose at engine. Pump Inlet Attach. 55mm. For Outlet Hose.
MSRP $13.65
$9.78
MSRP $13.65
$9.78
3
Coolant Reserve Tank Hose
Mopar
Mopar Description: Coolant Engine to T/Stat to Inlet. Thermostat to Inlet.
MSRP $81.95
$65.77
MSRP $81.95
$65.77
4
Hose Clamp
Mopar
Mopar Description: Water pump inlet. Water pump end. Engine end. 60x15. Engine side. Radiator Inlet Hose. Lower.
16
Heater Inlet Nipple
Mopar
Mopar Notes: Engines: 8.0L V10 SFI ENGINE.
Description: Thermostat Housing. Heater Supply.
No.
Part # / Description / Price
Price
1
7
Retainer Pin
Mopar
Mopar Description: Closeout Panel retaining. Kick Panel retaining. Decklid Latch. Scoop Deflector To Inner Hood.

